Restricted Earth Fault (REF) protection is a special type of protection. This protection scheme is mainly applied to power transformers. This scheme is designed to detect only the internal earth faults of the transformer. It provides highly sensitive and selective protection for internal earth faults. Restricted earth fault protection is a unit protection scheme. REF does not respond to external faults occurring outside the transformer.
Why is Restricted Earth Fault Protection Needed?
Internal earth faults can also be detected using differential protection of a transformer. However, the actual differential protection scheme is not very sensitive to earth faults occurring very close to the neutral point in a star-connected winding. Because when an earth fault occurs near the neutral end, the fault current may be too small to create sufficient differential current for the relay to operate. Therefore, to overcome this limitation and to detect such faults sensitively and selectively, we use a restricted earth fault protection scheme. REF protection is specifically designed to detect earth faults near the neutral point, where differential protection may fail.
Working Principle of Restricted Earth Fault Protection
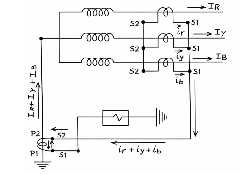
Let us consider a three-phase transformer having a star-connected winding. The star point of the winding is solidly grounded. Current Transformers (CTs) are installed on each of the three-phase lines. An additional CT is installed in the neutral grounding path. The secondary circuits of these CTs are connected in such a way that the polarity of the secondary of the line CTs will be opposite to that of the secondary of the neutral CT. An earth fault relay is connected to the secondary of the neutral CT.
Operation Under Normal Conditions
Suppose IR, IY, and IB are the line currents of the transformer. The current flowing through the neutral path will be the sum of the three line currents. IN = IR + IY + IB = 0 (ideally). On the neutral CT secondary side, these currents will be reflected proportionally as ir + iy + ib. The sum of the secondary currents of the line CTs also flows through the neutral CT secondary, but in the opposite direction. Obviously, that current will also be ir + iy + ib.

As a result, these currents cancel each other, and no current flows through the earth fault relay. Therefore, the earth fault relay does not operate during normal operating conditions.
Operation During External Fault
Due to an external fault, obviously, the neutral unbalance current increases. The corresponding secondary currents also increase proportionally. At the same time, the sum of the line CT secondary currents will also increase in the same manner. Hence, these two currents still oppose each other, and also their amplitude is the same. Therefore, even during external faults, the current balance is maintained in the REF circuit. Hence, no spill current flows through the earth fault relay, and the transformer does not trip. This proves that restricted earth fault protection does not operate for external faults.
Operation During Internal Earth Fault
Now, suppose an internal earth fault occurs somewhere inside the transformer winding. Due to this earth fault, some portion of the current bypasses directly to earth through the fault path. As a result, the summation of the red, yellow, and blue phase currents at the neutral side will no longer be equal to the summation of the line currents. This creates an imbalance between the summation of line CT secondary currents and the secondary current of the neutral CT. This imbalance produces a spill current to flow through the earth fault relay. Hence, it operates and trips the transformer circuit breakers. The transformer is disconnected from the system by inter-tripping.
Special Features of Restricted Earth Fault Protection
Independent of HV–LV Ratio Disturbance
Differential protection operates based on unbalanced current between the HV and LV sides due to internal faults. However, restricted earth fault protection operates irrespective of HV and LV turns ratio disturbances. It operates based on the unbalanced current created at the transformer neutral path due to phase current imbalance.
Unit Protection Scheme
Restricted earth fault protection is a unit protection scheme. It is activated only for internal faults within the protected zone and does not operate during external faults or phase-to-phase faults.
Highly Sensitive Near Neutral Point
REF protection is also sensitive to internal earth faults close to the neutral point. Whereas differential protection may not be sensitive enough because the fault current for the fault near the neutral is very low.
CT Ratio Must Match
For correct operation, the ratio of the line CTs and the neutral CT must be perfectly identical. Any mismatch may cause maloperation. To avoid mismatch and maloperation due to CT saturation, PS class CTs are used instead of normal protection class CTs, like 5P20, 5P10, or 10P CTs.
To understand REF further, please watch the video