We often refer to a contact multiplier relay simply as a contact multiplier. Also, we call it a contact multiplying relay or contact multiplication relay. It is a special type of electromagnetic attraction armature relay. Its function is to multiply the auxiliary contacts of a main relay.
Sometimes, a protection relay does not have sufficient contacts for all interlocking, annunciation, indicating, and signaling functions. In such cases, to increase the number of available contacts, we use a contact multiplier relay.
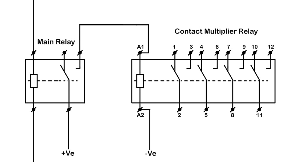
Construction of Contact Multiplier Relay
Normally, a contact multiplier relay is an electromagnetic attraction armature relay. It consists of:
- Electromagnetic Coil – wound on a laminated iron core. A DC source energizes the coil. Thus, a contact multiplier relay is always a DC-operated electromagnetic relay.
- Control Circuit – The DC supply circuit that provides power to the relay coil has one NO (normally open) contact of the parent relay in series. When the parent relay operates, this NO contact closes, completing the DC circuit and energizing the auxiliary relay coil.
- Armature (Plunger) – The armature is hinged or pivoted and is usually L-shaped. When the coil becomes energized, the magnetic field attracts the armature towards the core. The armature rotates about its pivot and pushes the moving contact tip.
- Contact System – The moving contact tip shifts from one set of fixed contacts to another. As a result, the NO contacts close and the NC contacts open.
- Restoring Mechanism – A spring holds the armature in its resting position at normal conditions. Some designs use gravitational force instead of a spring for this purpose. When the coil becomes energized, the magnetic force overcomes the restoring force and moves the armature. When the coil becomes de-energized, the spring or gravity returns the armature to its normal position.
- Contact Sets – Different relays have different numbers of NO and NC contacts, depending on the design. When the armature moves, multiple NO contacts close and NC contacts open simultaneously.
- Insulated Base and Cover – The assembly is mounted on an insulating base, usually plastic. A transparent cover (often glass or plastic) encloses the coil and contacts. This prevents dust accumulation and allows visual inspection of contact conditions. If a flashover occurs in the coil or contacts, it can also be seen through the transparent cover.

Working Principle
Although the working principle was touched upon during the construction discussion, let us repeat it here for clarity.
- Normal Condition:
When no DC supply is present across the coil, the spring or gravity holds the armature in the resting position. Thus, the NO contacts remain open, and the NC contacts remain closed. - Energized Condition:
When the parent protective relay operates, it closes its NO contact in the auxiliary relay’s DC circuit. This completes the circuit, and DC power energizes the coil of the contact multiplier relay. The coil becomes magnetized, producing an electromagnetic force. Then the core attracts the armature (L-shaped plunger). As a result, the armature rotates about its hinge. Once the electromagnetic force exceeds the restoring force, the armature pushes the moving contact, closing the NO contacts and opening the NC contacts. - Operation of Multiple Circuits:
By this mechanism, one protective relay can simultaneously operate multiple independent circuits, such as the trip coil of a circuit breaker, alarms, interlocking circuits, annunciation systems, and signaling/indicating devices. - De-energization:
When the DC supply is cut off, the magnetic field collapses. The restoring force of the spring or gravity returns the armature to its normal position. The contacts then return to their original state.
Summary:
A contact multiplier relay is an auxiliary electromagnetic attraction armature-type relay. It multiplies the number of usable contacts from a protective relay, while remaining electrically isolated from the main relay. It works on the principle of a DC-operated electromagnetic attraction relay.